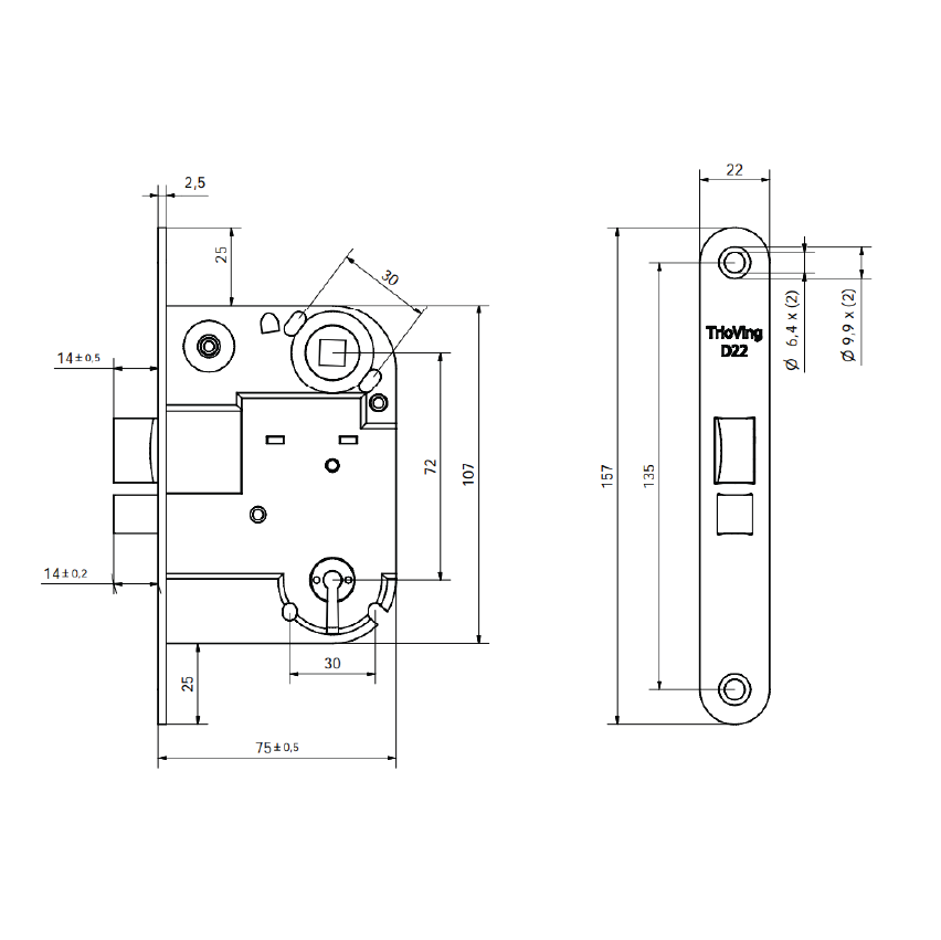
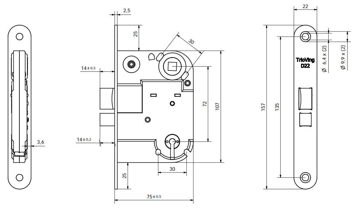
Bruksområde
For lette innvendige dører hvor en ønsker bedre avlåsning enn med en-tilholderlås.
Reilen betjenes med nøkkel. (nr. 140-188)
Egenskaper og funksjon
Tilholderlås med falle- og reilefunksjon.
Inkludert
Sluttstykke følger med
Skal jeg velge venstre eller høyre retning?
Venstre: Døren er lukket og hengslene er synlig på venstre side.
Høyre: Døren er lukket og hengslene er synlig på høyre side.

Er du fortsatt usikker på om du trenger venstre eller høyre? Kontakt oss










